Mininco do Brasil
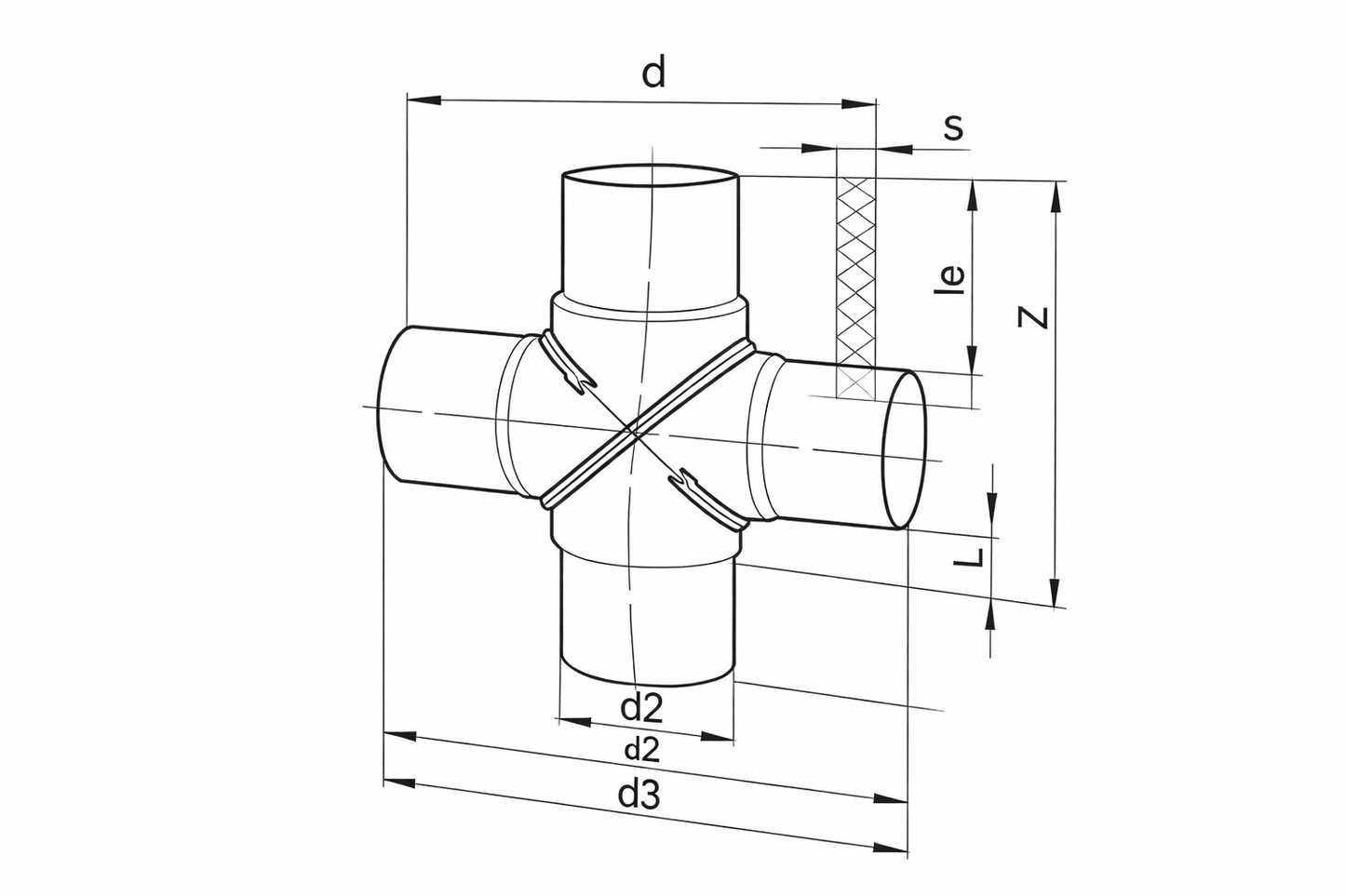
Cruzeta TERMOFUSÃO PEAD PN10 DE 200MM
Cruzeta TERMOFUSÃO PEAD PN10 DE 200MM
- Preço Atacado
- Preço FOB SP ou GO
- Impostos não inclusos
* Mínimo: 6 unidades
Não foi possível carregar a disponibilidade de retirada.
Fornecedor de Cruzeta Termofusão PEAD no Brasil. Compre agora.
PARA QUE SERVE A CRUZETA TERMOFUSÃO PEAD?
A Cruzeta em Polietileno de Alta Densidade (PEAD), injetada para termofusão, é a conexão hidráulica projetada para realizar o cruzamento ou distribuição de fluxo em quatro vias (formato de cruz). Ela permite a interligação de quatro tubulações em um único ponto central, otimizando o layout da rede.
Seu uso é estratégico para evitar adaptações complexas (como a união de múltiplos Tês), sendo fundamental em projetos de infraestrutura devido à sua:
- Otimização de espaço em valas e galerias.
- Redução de perda de carga (melhor fluxo hidráulico).
- Diminuição da quantidade de soldas no sistema.
- Alta resistência química e mecânica do PE100.
- Segurança total contra vazamentos em redes pressurizadas.
É a solução ideal para obras que exigem eficiência na distribuição de fluidos, criando nós de conexão robustos em redes em malha ou anel.
APLICAÇÕES DA CRUZETA PEAD
As Cruzetas de Termofusão são ideais para:
- Redes de Combate a Incêndio: Formação de anéis de hidrantes.
- Distribuição de Água: Cruzamentos de ruas em redes urbanas.
- Irrigação: Montagem de cabeçais e distribuição em grade.
- Indústrias: Manifolds e barriletes de distribuição química.
- Sistemas de Refrigeração: Torres de resfriamento e Chillers.
- Mineração: Distribuição de linhas de processo.
- Estações de Tratamento (ETA/ETE): Interligação de tanques e filtros.
- Aterros Sanitários: Redes de coleta de gás e chorume.
BENEFÍCIOS E FACILIDADES
As cruzetas oferecem vantagens técnicas que geram economia e segurança para a obra:
- Instalação Rápida: Substitui a montagem complexa de vários Tês e luvas.
- Vida Útil Longa: Estimada em mais de 50 anos, livre de corrosão.
- Hidráulica Superior: Design interno liso que favorece a passagem do fluido.
- Soldabilidade: Pronta para solda de topo (termofusão) ou eletrofusão.
- Resistência: Suporta golpes de aríete melhor que conexões rígidas.
- Estanqueidade: Peça monobloco injetada sem emendas frágeis.
NORMAS TÉCNICAS APLICADAS
Nossas conexões seguem rigorosamente as normas técnicas para garantir a fusão perfeita:
- NBR 15561 – Conexões de PEAD para sistemas de água e esgoto sob pressão.
- ISO 4427 – Especificações para conexões de polietileno (PE).
- DIN 16963 – Padronização dimensional de conexões.
- Classificação PE100 – Alta performance para pressões elevadas.
DETALHES DE USO
A Cruzeta PEAD é amplamente utilizada em cenários que exigem distribuição centralizada:
- Redes em Anel (Loop): Fundamental para sistemas de incêndio onde a água deve chegar por caminhos diferentes para garantir pressão.
- Barriletes (Manifolds): Construção de coletores de distribuição compactos.
- Indústria Química: Mistura ou separação de fluxos corrosivos onde o metal não resistiria.
Share

Mininco do Brasil ®
-
Mininco:
MapaRua Antônio Marzinetti, 392 -
Ouro Preto, Belo Horizonte, MG, Brasil.
CEP: 31320-370
(Galpão)
Atendemos todo Brasil.
CNPJ: 61.748.475/0001-55 -
Vendas Corporativas:
CotaçãoEmail Vendas:
vendas1@mininco.com.br
vendas2@mininco.com.br
Telefone:
(31) 2180-1710
Whatsapp:
(31) 2180-1710 -
Fornecedores:
ContatoEmail Suprimentos:
compras1@mininco.com.br
Parcerias / International Partnerships:
marketing@mininco.com.br